
山东省住房和城乡建设厅关于调整建设工程安全施工费的通知
鲁建标字〔2023〕2号
各市住房城乡建设局,各有关单位:
为贯彻安全发展新理念,推动企业落实主体责任,保障企业安全生产投入,根据财政部、应急部《关于印发企业安全生产费用提取和使用管理办法的通知》(财资〔2022〕136号)规定,对我省建设工程安全施工费计取标准进行调整。现就有关事项通知如下:
一、调整《山东省建设工程费用项目组成及计算规则(2022版)》中各专业工程的安全施工费费率,安全生产责任保险费用不再单独计算(详见附件1)。
二、调整《山东省建设工程概算费用编制规定》中建筑安装工程费用相关费率,安全生产责任保险费用不再单独计算(详见附件2)。
三、本通知自发布之日起施行。本通知发布前已签订合同的建设工程项目,安全施工费用按照原合同约定执行。
附件:
1.《山东省建设工程费用项目组成及计算规则(2022版)》调整内容
2.《山东省建设工程概算费用编制规定》调整内容
附件1:
《山东省建设工程费用项目组成及计算规则(2022版)》调整内容
三、规费
(一)建筑、装饰、安装、园林绿化、城市地下综合管廊、房屋修缮、
市政养护维修、仿古建筑工程
1.一般计税法下


1.一般计税法下


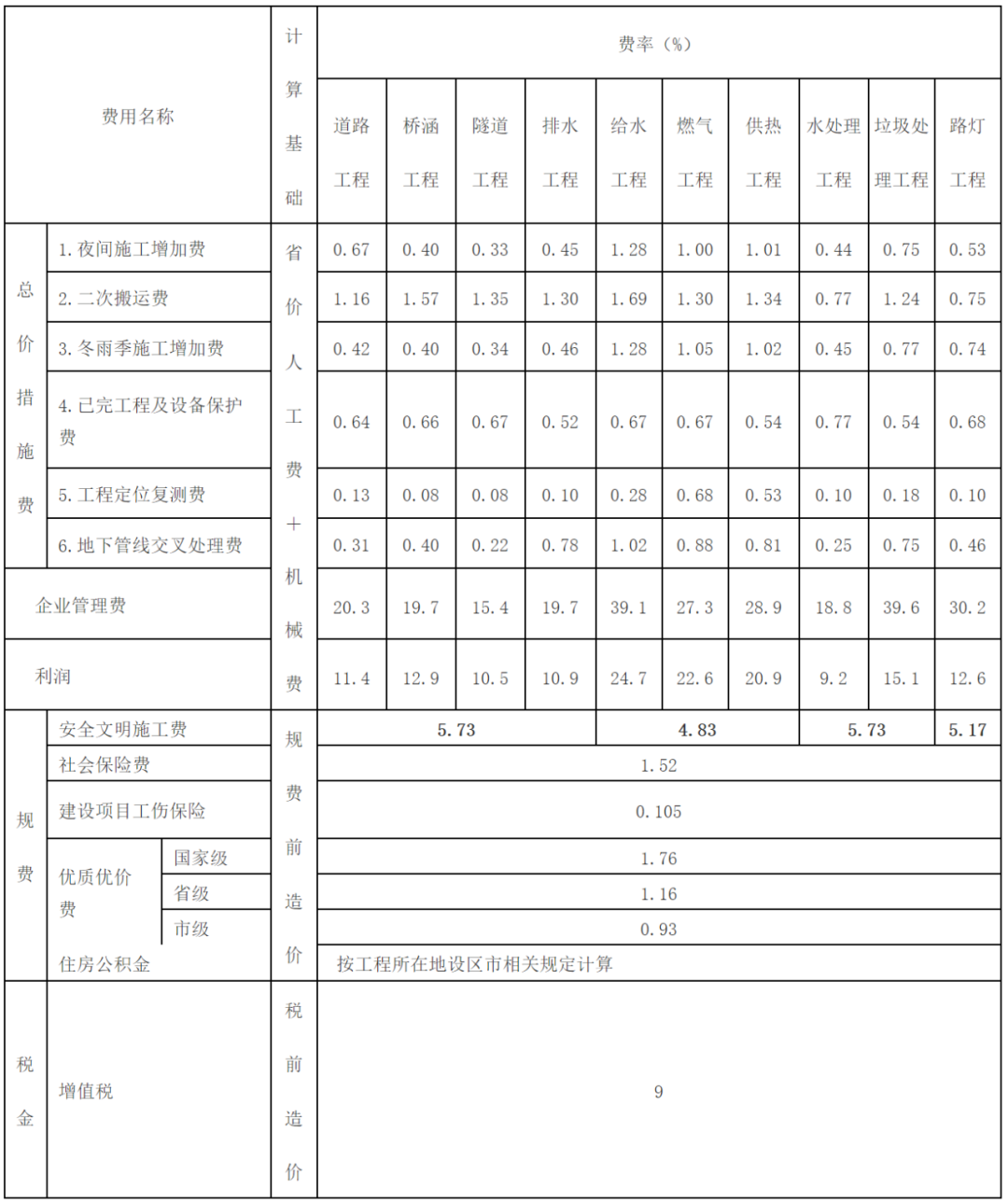
附件2:
《山东省建设工程概算费用编制规定》调整内容



注:1.市政工程总价措施费中的人机费含量均为45%。